Product Summary
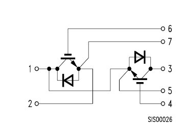
The BSM150GB120DN2 is an IGBT Power Module (Half-bridge Including fast free-wheeling diodes Package with insulated metal base plate).
Parametrics
BSM150GB120DN2 absolute maximum ratings: (1)Collector-emitter voltage VCE: 1200 V; (2)Collector-gate voltage: 1200V; (3)Gate-emitter voltage VGE: ± 20V; (4)Power dissipation per IGBT, Ptot: 1250W; (5)Chip temperature Tj: + 150 ℃; (6)Storage temperature Tstg: -55 to +150℃; (7)Thermal resistance, chip case RthJC ≤ 0.1 K/W; (8)Insulation test voltage, t = 1min. Vis 2500 Vac; (9)Creepage distance: 20 mm; (10)Clearance: 11mm.
Features
BSM150GB120DN2 features: (1)Half-bridge; (2)Including fast free-wheeling diodes; (3)Package with insulated metal base plate.
Diagrams

| Image | Part No | Mfg | Description | ![]() |
Pricing (USD) |
Quantity | ||||||||
|---|---|---|---|---|---|---|---|---|---|---|---|---|---|---|
![]() |
![]() BSM150GB120DN2 |
![]() Infineon Technologies |
![]() IGBT Modules 1200V 150A DUAL |
![]() Data Sheet |
![]()
|
|
||||||||
![]() |
![]() BSM150GB120DN2_E3166 |
![]() Infineon Technologies |
![]() IGBT Modules N-CH 1.2KV 210A |
![]() Data Sheet |
![]()
|
|
||||||||
![]() |
![]() BSM150GB120DN2F_E3256 |
![]() Infineon Technologies |
![]() IGBT Modules IGBT 1200V 150A |
![]() Data Sheet |
![]()
|
|
||||||||
![]() |
![]() BSM150GB120DN2F |
![]() Infineon Technologies |
![]() IGBT Modules IGBT 1200V 150A |
![]() Data Sheet |
![]()
|
|
||||||||
![]() |
![]() BSM150GB120DN2E3166 |
![]() Other |
![]() |
![]() Data Sheet |
![]() Negotiable |
|
||||||||
(China (Mainland))









