Product Summary
The VSC7173XYI is a Serial ATA and Serial Attached SCSI multiplexer and buffer that implements a 2:1 port selector function for 1.5 Gbps and 3.0 Gbps links. The VSC7173XYI is ideal for: (1)Active-passive redundant failover systems; (2)Dual-port Serial ATA and Serial Attached SCSI disk arrays (JBODs); (3)NAS servers; (4)RAID subsystems; (5)Disk-based backup systems; (6)Serial ATA and Serial Attached SCSI routing applications; (7)Buffers for externally connected links; (8)Serial ATA port replicators; (9)Serial ATA Host Bus Adapters selecting between internal and external connectors.
Parametrics
VSC7173XYI absolute maximum ratings: (1)VDD, Power supply voltage: –0.5 to +4.0 V; (2)VINT, LVTTL input voltage: –0.5 to VDD + 0.5 V; (3)VOUTT, LVTTL output voltage: –0.5 to VDD + 0.5 V; (4)IOT, LVTTL output current: –50 to +50 mA; (5)VINS, Serial input voltage: –0.5 to VDD + 0.5 V; (6)VOUTS, Serial output voltage: –0.5 to VDD + 0.5 V; (7)IOS, Serial output current: –50 to +50 mA; (8)TS, Storage temperature: –65 to +140 ℃; (9)VESD, Electrostatic voltage discharge, human body model: –4000 to +4000 V.
Features
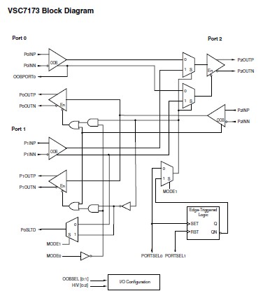
VSC7173XYI features: (1)2:1 port selector and 1:2 port multiplier for both Serial ATA (SATA) and Serial Attached SCSI (SAS) links; (2)Serial ATA 1.0 compliant at 1.5 Gbps (3.0 Gbps capable); (3)Passes Serial ATA patterns transparently; (4)Programmable receiver sensitivity; (5)High output swing mode with pre-emphasis; (6)Compatible with VSC7175 and VSC7177 designs; (7)0.7 W power dissipation; (8)3.3 V power supply; (9)32-pin, 7 mm x 7 mm QFP-N package.
Diagrams

| Image | Part No | Mfg | Description | ![]() |
Pricing (USD) |
Quantity | ||||||
|---|---|---|---|---|---|---|---|---|---|---|---|---|
![]() |
![]() VSC7173XYI/G24 |
![]() Maxim Integrated Products |
![]() Encoders, Decoders, Multiplexers & Demultiplexers |
![]() Data Sheet |
![]() Negotiable |
|
||||||
| Image | Part No | Mfg | Description | ![]() |
Pricing (USD) |
Quantity | ||||||
![]() |
![]() VSC7104 |
![]() Other |
![]() |
![]() Data Sheet |
![]() Negotiable |
|
||||||
![]() |
![]() VSC7104VP-01 |
![]() |
![]() IC SIGNAL COND 4X4 69-BGA |
![]() Data Sheet |
![]()
|
|
||||||
![]() |
![]() VSC7104XVP-01 |
![]() |
![]() IC SIGNAL COND QUAD 69-BGA |
![]() Data Sheet |
![]()
|
|
||||||
![]() |
![]() VSC7108 |
![]() Other |
![]() |
![]() Data Sheet |
![]() Negotiable |
|
||||||
![]() |
![]() VSC7108VP-01 |
![]() |
![]() IC SIGNAL COND 8X8 69-BGA |
![]() Data Sheet |
![]()
|
|
||||||
![]() |
![]() VSC7108XVP-01 |
![]() |
![]() IC SIGNAL COND OCTAL 69-BGA |
![]() Data Sheet |
![]()
|
|
||||||
(China (Mainland))









