Product Summary
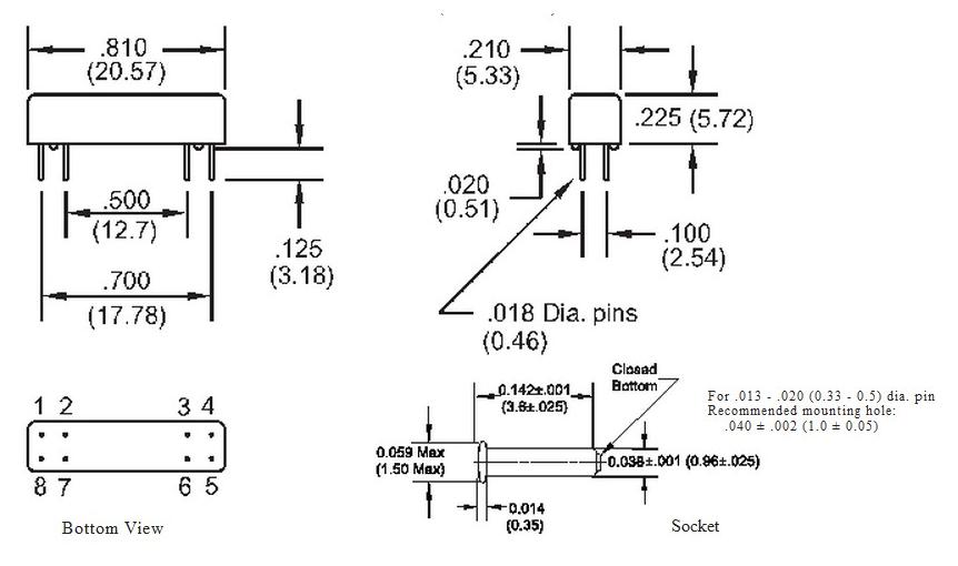
The 2211-12-201 is a reed relay. It is ideally suited to the needs of automated test equipment and RF requirements. The specification tables allow you to select the appropriate relay for your particular application.
Parametrics
2211-12-201 specifications: (1)Insulation resistance(minimum): 1011Ω; (2)Capacitance-typical across open contacts, shielding floating: 0.9pF; shield guarding: N/A pF; (3)Dielectric strength(minimum): 200VDC/peak AC; (4)Operate time-including bounce: 1.0(typ.)msec; (5)Release time-typical: 2.0msec.
Features
2211-12-201 features: (1)very small, high reliability reed relays; (2)High insulation resistance-1012Ω available with some models; (3)High speed switching compared to electromechanical relays; (4)Hermetically sealed contacts for long life; (5)Epoxy coated steel shell provides magnetic shielding; (6)Optional electrostatic shield for reducing capacitive coupling; (7)Optional coaxial shield for 50Ω impedance and switching of fast rise time digital pulses offered on some models.
Diagrams

![]() |
![]() 2211 |
![]() Keystone Electronics |
![]() Circuit Board Hardware - PCB HEX .250X.750 ALUM |
![]() Data Sheet |
![]()
|
|
||||||||||||
![]() |
![]() 2211/16 WH001 |
![]() Alpha Wire |
![]() Heat Shrink Tubing & Sleeves 1/16in ID SHRNK TUBN 1000ft SPOOL WHT |
![]() Data Sheet |
![]()
|
|
||||||||||||
![]() |
![]() 2211-05-301 |
![]() Coto Technology |
![]() Reed Relay Micromin FormC Reed |
![]() Data Sheet |
![]()
|
|
||||||||||||
![]() |
![]() 221111-1 |
![]() TE Connectivity / AMP |
![]() RF Connectors JK VERTICAL NKL 50 |
![]() Data Sheet |
![]()
|
|
||||||||||||
![]() |
![]() 221117-4 |
![]() TE Connectivity / AMP |
![]() RF Connectors PLUG RG-174 DUAL |
![]() Data Sheet |
![]()
|
|
||||||||||||
![]() |
![]() 221128-1 |
![]() TE Connectivity / AMP |
![]() RF Connectors BNC PLUG |
![]() Data Sheet |
![]()
|
|
||||||||||||
(China (Mainland))













