Product Summary
The 6mbp100na-060 is an IGBT-IPM module.
Parametrics
6mbp100na-060 absolute maximum ratings: (1)DC bus voltage, VDC: 0 to 450v; (2)DC bus voltage(surge), VDC: 0 to 500v; (3)DC bus voltage(short operating), VSC: 200 to 400v; (4)collector-emitter voltage, VCCS: 0 to 600v; (5)INV, collector current: DC, IC= 100 A max; 1ms, Icp= 200A max; duty=42%, -IC=100A max; (6)collector power dissipation at one transistor: PC= 400w max; (7)junction temperature, TJ=150 ℃ max; (8)input signal voltage, vin: 0 to VZ v; (9)input voltage of power supply foe pre-driver, VCC: 0 to 20 v; (10)input signal current,Iin: 1mA max; (11)alarm signal voltage, VALM: 0 to VCC v; (12)alarm signal current, Ialm: 15mA max; (13)storage temperature, Tstg: -40 to 125℃; (14)operating case temperature, TOP: -20 to 100℃; (15)isolation voltage(vase-terminal), VISO: AC2.5 Kv max.
Features
6mbp100na-060 electrical characteristics of power circuit: (1)collector current at off signal input, ICES at VCE=600V: 1.0 mA max; (2)collector-emitter saturstion voltsge, VCE at IC=100A: 2.9v max; (3)forward voltage of FWD, VF at -IC=100A: 3.3 v amx.
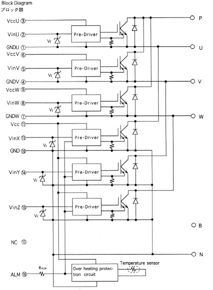
Diagrams

![]() |
![]() 6MBP 150RA-060 |
![]() Other |
![]() |
![]() Data Sheet |
![]() Negotiable |
|
||||
![]() |
![]() 6MBP 15RH-060 |
![]() Other |
![]() |
![]() Data Sheet |
![]() Negotiable |
|
||||
![]() |
![]() 6MBP 75RA-120 |
![]() Other |
![]() |
![]() Data Sheet |
![]() Negotiable |
|
||||
![]() |
![]() 6MBP100RTA-060 |
![]() Other |
![]() |
![]() Data Sheet |
![]() Negotiable |
|
||||
![]() |
![]() 6MBP100RTB060 |
![]() Other |
![]() |
![]() Data Sheet |
![]() Negotiable |
|
||||
![]() |
![]() 6MBP150RA120 |
![]() Other |
![]() |
![]() Data Sheet |
![]() Negotiable |
|
||||
(China (Mainland))








