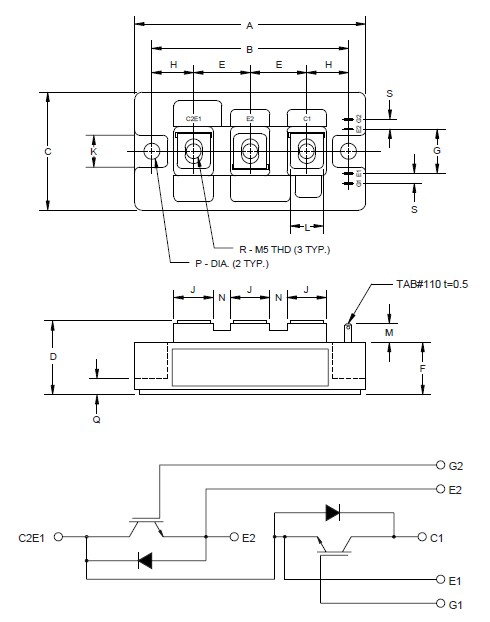
Product Summary
The CM150DY-12H is designed for use in switching applications. Each module consists of two IGBT Transistors in a half-bridge configuration with each transistor having a reverseconnected super-fast recovery free-wheel diode. All components and interconnects of the CM150DY-12H are isolated from the heat sinking baseplate, offering simplified system assembly and thermal management.
Parametrics
CM150DY-12H absolute maximum ratings: (1)Junction Temperature Tj: –40 to 150 ℃; (2)Storage Temperature Tstg: –40 to 125 ℃; (3)Collector-Emitter Voltage (G-E SHORT) VCES: 600 Volts; (4)Gate-Emitter Voltage (C-E SHORT) VGES: ±20 Volts; (5)Collector Current (TC = 25℃) IC: 150 Amperes; (6)Peak Collector Current ICM: 300 Amperes; (7)Emitter Current** (TC = 25℃) IE: 150 Amperes; (8)Peak Emitter Current IEM: 300 Amperes; (9)Maximum Collector Dissipation (TC = 25℃, Tj £ 150℃) Pc: 600 Watts; (10)Mounting Torque, M5 Main Terminal: – 1.47 ~ 1.96 N · m; (11)Mounting Torque, M6 Mounting: – 1.96 ~ 2.94 N · m; (12)Weight: 270 Grams; (13)Isolation Voltage (Main Terminal to Baseplate, AC 1 min) Viso: 2500 Vrms.
Features
CM150DY-12H features: (1)Low Drive Power; (2)Low VCE(sat); (3)Discrete Super-Fast Recovery; (4)Free-Wheel Diode; (5)High Frequency Operation; (6)Isolated Baseplate for Easy; (7)Heat Sinking.
Diagrams

| Image | Part No | Mfg | Description | ![]() |
Pricing (USD) |
Quantity | ||||
|---|---|---|---|---|---|---|---|---|---|---|
![]() |
![]() CM150DY-12H |
![]() |
![]() IGBT MOD DUAL 600V 150A H SER |
![]() Data Sheet |
![]() Negotiable |
|
||||
| Image | Part No | Mfg | Description | ![]() |
Pricing (USD) |
Quantity | ||||
![]() |
![]() CM15 |
![]() Other |
![]() |
![]() Data Sheet |
![]() Negotiable |
|
||||
![]() |
![]() CM1500 |
![]() Other |
![]() |
![]() Data Sheet |
![]() Negotiable |
|
||||
![]() |
![]() CM15001W |
![]() Other |
![]() |
![]() Data Sheet |
![]() Negotiable |
|
||||
![]() |
![]() CM15002W |
![]() Other |
![]() |
![]() Data Sheet |
![]() Negotiable |
|
||||
![]() |
![]() CM15003W |
![]() Other |
![]() |
![]() Data Sheet |
![]() Negotiable |
|
||||
![]() |
![]() CM15004W |
![]() Other |
![]() |
![]() Data Sheet |
![]() Negotiable |
|
||||
(China (Mainland))









