Product Summary
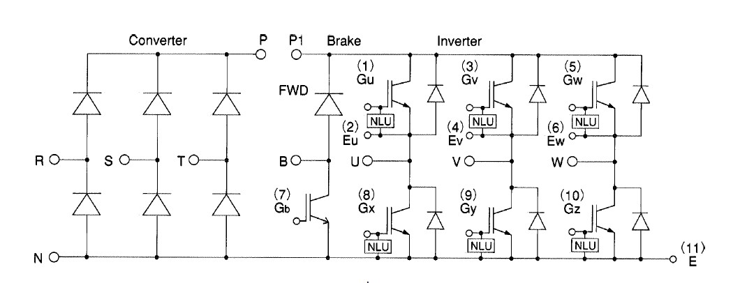
The 7MBR50NF060 is an IGBT MODULE. The applications of the 7MBR50NF060 are: Inverter for Motor Drive, AC and DC Servo Drive Amplifier, Uninterruptible Power Supply.
Parametrics
7MBR50NF060 absolute maximum ratings: (1)Collector-Emitter voltage, VCES: 600V; (2)Gate-Emitter voltage, VGES: ±20V; (3)Collector power disspation, PC: 50A; (4)Collector-Emitter voltage, VCES: 100A; (5)Gate-Emitter voltage, VGES: 200W; (6)Collector current, DC, IC: 50A; (7)Operating junction temperature, Tj: ±150℃; (8)Storage temperature, Tstg: -40 to +125℃; (9)Isolation voltage, Viso: AC2500V; (10)Mounting screw torque: 1.7 N-m.
Features
7MBR50NF060 features: (1)High Speed Switching; (2)Voltage Drive; (3)Low Inductance Module Structure; (4)Converter Diode Bridge Dynamic Brake Circuit.
Diagrams

![]() |
![]() 7MBR 10SA-120 |
![]() Other |
![]() |
![]() Data Sheet |
![]() Negotiable |
|
||||
![]() |
![]() 7MBR100SB060 |
![]() Other |
![]() |
![]() Data Sheet |
![]() Negotiable |
|
||||
![]() |
![]() 7MBR100SD060 |
![]() Other |
![]() |
![]() Data Sheet |
![]() Negotiable |
|
||||
![]() |
![]() 7MBR100U4B120 |
![]() Other |
![]() |
![]() Data Sheet |
![]() Negotiable |
|
||||
![]() |
![]() 7MBR10NE120 |
![]() Other |
![]() |
![]() Data Sheet |
![]() Negotiable |
|
||||
![]() |
![]() 7MBR10SA120 |
![]() Other |
![]() |
![]() Data Sheet |
![]() Negotiable |
|
||||
(China (Mainland))








