Product Summary
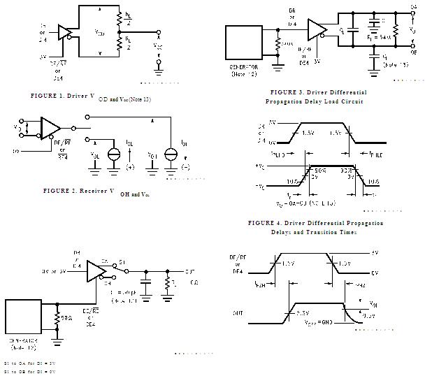
The DS36954M is a high speed differential TRI-STATE bus/line transceiver/repeater. It is designed to meet the requirements of EIA standard RS485 with extended common mode range (+12V to -7V), for multipoint data transmission. The DS36954M features TRI-STATE capability. The driver outputs remain in TRI-STATE over the entire common mode range of +12V to -7V. The DS36954M provides an output pin TS (thermal shutdown) which reports the occurrence of the thermal shutdown of the device.
Parametrics
DS36954M absolute maximum ratings: (1)Supply Voltage, VCC: 7V; (2)Control Input Voltages: 7V; (3)Driver Input Voltage: 7V; (4)Driver Output Voltages: +15V/-10V; (5)Receiver Input Voltages: +15V/-10V; (6)Receiver Output Voltage: 5.5V; (7)Continuous Power Dissipation @ 25℃ N Package: 1.07W; (8)Storage Temperature Range: -65 to +150℃; (9)Lead Temperature (Soldering, 4sec.): 260℃.
Features
DS36954M features: (1)Meets EIA standard RS485 for multipoint bus transmission and is compatible with RS-422; (2)15 ns driver propagation delays with 2 ns skew (typical); (3)Single +5V supply; (4)-7V to +12V bus common mode range permits ±7V ground difference between devices on the bus; (5)Thermal shutdown protection; (6)High impedance to bus with driver in TRI-STATE or with power off, over the entire common mode range allows the unused devices on the bus to be powered down; (7)Combined impedance of a driver output and receiver input is less than one RS485 unit load, allowing up to 32 transceivers on the bus; (8)70 mV typical receiver hysteresis.
Diagrams

| Image | Part No | Mfg | Description | ![]() |
Pricing (USD) |
Quantity | ||||||||||||
|---|---|---|---|---|---|---|---|---|---|---|---|---|---|---|---|---|---|---|
![]() |
![]() DS36954M |
![]() National Semiconductor (TI) |
![]() Bus Receivers |
![]() Data Sheet |
![]()
|
|
||||||||||||
![]() |
![]() DS36954M/NOPB |
![]() National Semiconductor (TI) |
![]() Bus Receivers |
![]() Data Sheet |
![]()
|
|
||||||||||||
![]() |
![]() DS36954MX/NOPB |
![]() National Semiconductor (TI) |
![]() Bus Receivers |
![]() Data Sheet |
![]()
|
|
||||||||||||
![]() |
![]() DS36954MX |
![]() National Semiconductor (TI) |
![]() Bus Receivers |
![]() Data Sheet |
![]()
|
|
||||||||||||
(China (Mainland))










