Product Summary
The RM25HG24S is a Mitsubishi Super Fast Recovery Diode which is designed for use in applications requiring fast switching.
Parametrics
RM25HG24S absolute maximum ratings: (1)Peak Reverse Blocking Voltage (Repetitive) VRRM: 1200 Volts; (2)Peak Reverse Blocking Voltage (Non-Repetitive) VRSM: 1350 Volts; (3)DC Reverse Blocking Voltage VR(DC): 960 Volts; (4)DC Current, TC = 80℃ (Resistive Load) IF(DC): 25 Amperes; (5)Peak Half-Cycle Surge (Non-Repetitive) On-State Current (60Hz) IFSM: 500 Amperes; (6)Storage Temperature Tstg: -40 to +125 ℃; (7)Operating Temperature Tj: -40 to +150 ℃; (8)Maximum Mounting Torque M3 Mounting Screw: 0.59~0.98 N · m; (9)Module Weight (Typical): 10 Grams.
Features
RM25HG24S features: (1)Non-Isolated Package; (2)Planar Chips; (3)trr = 300ns Max.
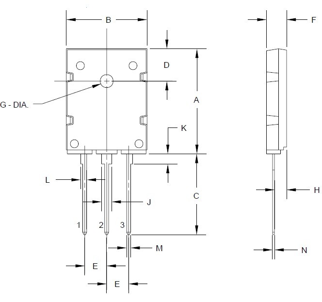
Diagrams

![]() |
![]() RM25 |
![]() Other |
![]() |
![]() Data Sheet |
![]() Negotiable |
|
||||
![]() |
![]() RM250 |
![]() TE Connectivity / Alcoswitch |
![]() Keylock Switches 2-POS MOM RIGHT |
![]() Data Sheet |
![]() Negotiable |
|
||||
![]() |
![]() RM250-24 |
![]() Other |
![]() |
![]() Data Sheet |
![]() Negotiable |
|
||||
![]() |
![]() RM250-2H |
![]() Other |
![]() |
![]() Data Sheet |
![]() Negotiable |
|
||||
![]() |
![]() RM250CZ |
![]() Other |
![]() |
![]() Data Sheet |
![]() Negotiable |
|
||||
![]() |
![]() RM250CZ-24 |
![]() Other |
![]() |
![]() Data Sheet |
![]() Negotiable |
|
||||
(China (Mainland))









