Product Summary
The FF150R12KE3G is an IGBT-Module.
Parametrics
FF150R12KE3G maximum rated values: (1)collector-emitter voltage VCES: 1200 V; (2)IC,nom.: 150 A; (3)DC-collector current IC: 225 A; (4)repetitive peak collector current ICRM: 300 A; (5)total power dissipation Ptot: 780 W; (6)gate-emitter peak voltage VGES: +/- 20 V.
Features
FF150R12KE3G characteristic values: (1)VCE sat: 1.7 to 2.15 V; (2)collector-emitter saturation voltage: 2 V; (3)gate threshold voltage: 5.0 to 6.5 V; (4)input capacitance Cies: 11.0 nF; (5)collector-emitter cut-off current ICES: 5.0 mA; (7)gate-emitter leakage current IGES: 400 nA.
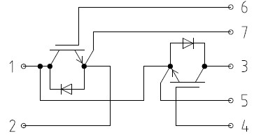
Diagrams

| Image | Part No | Mfg | Description | ![]() |
Pricing (USD) |
Quantity | ||||||||
|---|---|---|---|---|---|---|---|---|---|---|---|---|---|---|
![]() |
![]() FF150R12KE3G |
![]() Infineon Technologies |
![]() IGBT Modules 1200V 150A DUAL |
![]() Data Sheet |
![]()
|
|
||||||||
![]() |
![]() FF150R12KE3G_B2 |
![]() Infineon Technologies |
![]() IGBT Modules N-CH 1.2KV 225A |
![]() Data Sheet |
![]()
|
|
||||||||
(China (Mainland))









