Product Summary
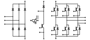
The SKIIP37NAB12T4V1 is a 3-phase bridge rectifier brake chopper 3-phase bridge inverter.
Parametrics
SKIIP37NAB12T4V1 absolute maximum ratings: (1)IGBT-Inverter, chopper. VCES: 1200V; (2)IC when Ts=25(70)℃: 96(78)A; (3)ICRM when tp≤1ms: 225A; (4)VGES: ±20V; (5)Tj: -40 to +175℃; (6)Diode-Inverter, chopper. IF when Ts=25(70)℃: 82(66)A; (7)IFRM when tp≤1ms: 225A.
Features
SKIIP37NAB12T4V1 features: (1)Fast trench IGBTs; (2)Robust and soft freewheeling diodes in CAL technology; (3)Highly reliable spring contacts for electrical connections; (4)UL recognised file no. E63532.
Diagrams

![]() |
![]() SKiiP 01AC066V1 |
![]() Other |
![]() |
![]() Data Sheet |
![]() Negotiable |
|
||||
![]() |
![]() SKiiP 01NAC066V1 |
![]() Other |
![]() |
![]() Data Sheet |
![]() Negotiable |
|
||||
![]() |
![]() SKIIP13NEL063I |
![]() Other |
![]() |
![]() Data Sheet |
![]() Negotiable |
|
||||
![]() |
![]() SKIIP30NAB06 |
![]() Other |
![]() |
![]() Data Sheet |
![]() Negotiable |
|
||||
![]() |
![]() SKIIP30NAB12T10 |
![]() Other |
![]() |
![]() Data Sheet |
![]() Negotiable |
|
||||
![]() |
![]() SKIIP312GD120-302WT |
![]() Other |
![]() |
![]() Data Sheet |
![]() Negotiable |
|
||||
(China (Mainland))








