Product Summary
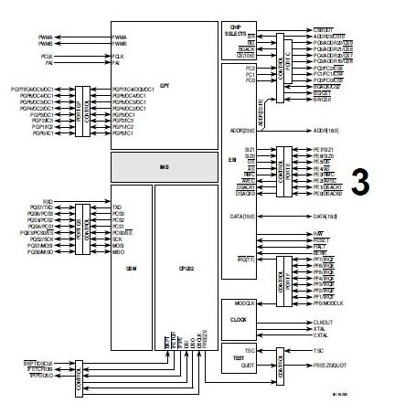
The MC68331CFC16, a highly-integrated 32-bit microcontroller, combines high-performance data manipulation capabilities with powerful peripheral subsystems. The MCU of MC68331CFC16 is built up from standard modules that interface through a common intermodule bus (IMB). The MCU MC68331CFC16 incorporates a 32-bit CPU (CPU32), a system integration module (SIM), a general-purpose timer (GPT), and a queued serial module (QSM).
Parametrics
MC68331CFC16 absolute maximum ratings: (1)Supply Voltage, VDD: -0.3 to +6.5V; (2)Input Voltage, Vin: -0.3 to +6.5V; (3)Instantaneous Maximum Current, Single pin limit (applies to all pins), ID: 25mA; (4)Digital Input Disruptive Current, VNEGCLMAP @ -0.3V, IID: -500 to 500mA; (5)Digital Input Disruptive Current, VPOSCLAMP @ VDD+0.3, IID: -500 to 500mA; (6)Storage Temperature Range, Tstg: -55 to 150℃.
Features
MC68331CFC16 features: (1)Modular Architecture; (2)Central Processing Unit (CPU32); (3)System Integration Module (SIM); (4)Queued Serial Module (QSM); (5)General-Purpose Timer (GPT).
Diagrams

| Image | Part No | Mfg | Description | ![]() |
Pricing (USD) |
Quantity | ||||
|---|---|---|---|---|---|---|---|---|---|---|
![]() |
![]() MC68331CFC16 |
![]() |
![]() IC MCU 32BIT 16MHZ 132-PQFP |
![]() Data Sheet |
![]() Negotiable |
|
||||
![]() |
![]() MC68331CFC16B1 |
![]() |
![]() IC MCU 32BIT 16MHZ 132-PQFP |
![]() Data Sheet |
![]() Negotiable |
|
||||
(China (Mainland))









