Product Summary
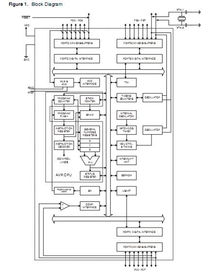
The ATMEGA8L-8PU is a low-power CMOS 8-bit microcontroller based on the AVR RISC architecture. By executing powerful instructions in a single clock cycle, the ATMEGA8L-8PU achieves throughputs approaching 1MIPS per MHz, allowing the system designer to optimize power consumption versus processing speed. The ATMEGA8L-8PU is manufactured using Atmel’s high density non-volatile memory technology. The Flash Program memory can be reprogrammed In-System through an SPI serial interface, by a conventional non-volatile memory programmer, or by an On-chip boot program running on the AVR core.
Parametrics
ATMEGA8L-8PU absolute maximum ratings: (1)AVCC Analog Supply Voltage VCC: - 0.3 to VCC + 0.3(3)V; (2)VREF Reference Voltage: 2.0 AVCC; (3)VIN Input voltage: GND VREF; (4)Input bandwidth: 38.5 kHz; (5)VINT Internal Voltage Reference: 2.3 to 2.9 V; (6)RREF Reference Input Resistance: 32 kΩ; (7)RAIN Analog Input Resistance: 55 to 100 MΩ.
Features
ATMEGA8L-8PU features: (1)130 Powerful Instructions-Most Single-clock Cycle Execution; (2)32 x 8 General Purpose Working Registers; (3)Fully Static Operation; (4)Up to 16 MIPS Throughput at 16 MHz; (5)On-chip 2-cycle Multiplier; (6)8K Bytes of In-System Self-programmable Flash program memory; (7)512 Bytes EEPROM; (8)1K Byte Internal SRAM; (9)Write/Erase Cycles: 10,000 Flash/100,000 EEPROM; (10)Two 8-bit Timer/Counters with Separate Prescaler, one Compare Mode; (11)One 16-bit Timer/Counter with Separate Prescaler, Compare Mode, and Capture Mode; (12)Real Time Counter with Separate Oscillator; (13)Three PWM Channels; (14)8-channel ADC in TQFP and QFN/MLF package; (15)Byte-oriented Two-wire Serial Interface; (16)Programmable Serial USART; (17)Master/Slave SPI Serial Interface; (18)Programmable Watchdog Timer with Separate On-chip Oscillator; (19)On-chip Analog Comparator.
Diagrams

| Image | Part No | Mfg | Description | ![]() |
Pricing (USD) |
Quantity | ||||||||||||
|---|---|---|---|---|---|---|---|---|---|---|---|---|---|---|---|---|---|---|
![]() |
![]() ATmega8L-8AU |
![]() Atmel |
![]() 8-bit Microcontrollers (MCU) 8kB Flash 0.5kB EEPROM 23 I/O Pins |
![]() Data Sheet |
![]()
|
|
||||||||||||
![]() |
![]() ATMEGA8L-8AUR |
![]() Atmel |
![]() 8-bit Microcontrollers (MCU) AVR 8KB FLSH 512B EE 1KB SRAM-8MHz |
![]() Data Sheet |
![]()
|
|
||||||||||||
(China (Mainland))










