Product Summary
The BSM50GX120DN2 is an IGBT Power Module.
Parametrics
BSM50GX120DN2 absolute maximum ratings: (1)Collector-emitter voltage VCE: 1200 V; (2)Collector-gate voltage, VCGR: 1200 V; (3)Gate-emitter voltage VGE: ± 20V; (4)DC collector current, IC: 78A; (5)Pulsed collector current, tp = 1 ms, ICpuls: 156A; (6)Power dissipation per IGBT: 400W; (7)Chip temperature Tj: + 150 ℃; (8)Storage temperature Tstg: -55 to + 150℃; (9)Thermal resistance, chip case RthJC≤ 0.3 K/W; (10)Diode thermal resistance, chip case RthJCD≤ 0.6K/W; (11)Insulation test voltage, t = 1min. Vis: 2500 Vac; (12)Creepage distance: 20 mm; (13)Clearance: 11mm; (14)DIN humidity category, DIN 40 040: F sec.
Features
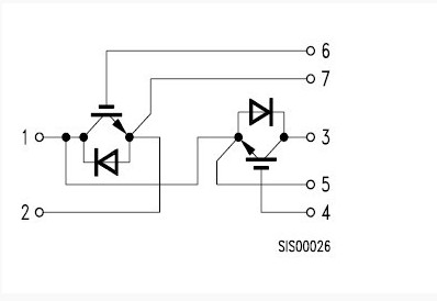
BSM50GX120DN2 features: (1)Half-bridge; (2)Including fast free-wheeling diodes; (3)Package with insulated metal base plate.
Diagrams

| Image | Part No | Mfg | Description | ![]() |
Pricing (USD) |
Quantity | ||||||||||||
|---|---|---|---|---|---|---|---|---|---|---|---|---|---|---|---|---|---|---|
![]() |
![]() BSM50GX120DN2 |
![]() Infineon Technologies |
![]() IGBT Modules |
![]() Data Sheet |
![]()
|
|
||||||||||||
| Image | Part No | Mfg | Description | ![]() |
Pricing (USD) |
Quantity | ||||||||||||
![]() |
![]() BSM50GAL120DN2 |
![]() Infineon Technologies |
![]() IGBT Modules 1200V 50A CHOPPER |
![]() Data Sheet |
![]()
|
|
||||||||||||
![]() |
![]() BSM50GB120DLC |
![]() Infineon Technologies |
![]() IGBT Modules 1200V 50A DUAL |
![]() Data Sheet |
![]()
|
|
||||||||||||
![]() |
![]() BSM50GB120DN2 |
![]() Infineon Technologies |
![]() IGBT Modules 1200V 50A DUAL |
![]() Data Sheet |
![]()
|
|
||||||||||||
![]() |
![]() BSM50GB170DN2 |
![]() Infineon Technologies |
![]() IGBT Modules 1700V 50A 500W HALF-BRIDGE |
![]() Data Sheet |
![]()
|
|
||||||||||||
![]() |
![]() BSM50GB60DLC |
![]() Infineon Technologies |
![]() IGBT Modules 600V 50A DUAL |
![]() Data Sheet |
![]()
|
|
||||||||||||
![]() |
![]() BSM50GD120DLC |
![]() Infineon Technologies |
![]() IGBT Modules 1200V 50A 3-PHASE |
![]() Data Sheet |
![]()
|
|
||||||||||||
(China (Mainland))










