Product Summary
The LM4040C20IDBZR of shunt voltage references is versatile, easy-to-use references that cater to a vast array of applications. The 2-pin fixed-output device requires no external capacitors for operation and is stable with all capacitive loads. Additionally, the reference offers low dynamic impedance, low noise, and low temperature coefficient to ensure a stable output voltage over a wide range of operating currents and temperatures. The LM4040C20IDBZR uses fuse and Zener-zap reverse breakdown voltage trim during wafer sort to offer four output voltage tolerances, ranging from 0.1% (max) for the A grade to 1% (max) for the D grade. Thus, a great deal of flexibility is offered to designers in choosing the best cost-to-performance ratio for their applications. Packaged in space-saving SC-70 and SOT-23-3 packages and requiring a minimum current of 45 mA (typ), the LM4040C20IDBZR also is ideal for portable applications. The LM4040C20IDBZRxI is characterized for operation over an ambient temperature range of –40℃ to 85℃. The LM4040C20IDBZRxQ is characterized for operation over an ambient temperature range of –40℃ to 125℃.
Parametrics
LM4040C20IDBZR absolute maximum ratings: (1)IZ Continuous cathode current: -10 to 25 mA; (2)DBZ package: 206℃/W; (3)θJA Package thermal impedance, DCK package: 252 ℃/W; LP package 156℃/W; (4)TJ Operating virtual junction temperature: 150 ℃; (5)Tstg Storage temperature range: -65 to 150 ℃.
Features
LM4040C20IDBZR features: (1)Fixed Output Voltages of 2.048 V, 2.5 V, 3 V, 4.096 V, 5 V, 8.192 V, and 10 V; (2)Tight Output Tolerances and Low Temperature Coefficient; (3)Low Output Noise5 mVRMS Typ; (4)Wide Operating Current Range5 mA Typ to 15 mA; (5)Stable With All Capacitive Loads; No Output Capacitor Required; (6)Available in Extended Temperature Range: -40℃ to 125℃.
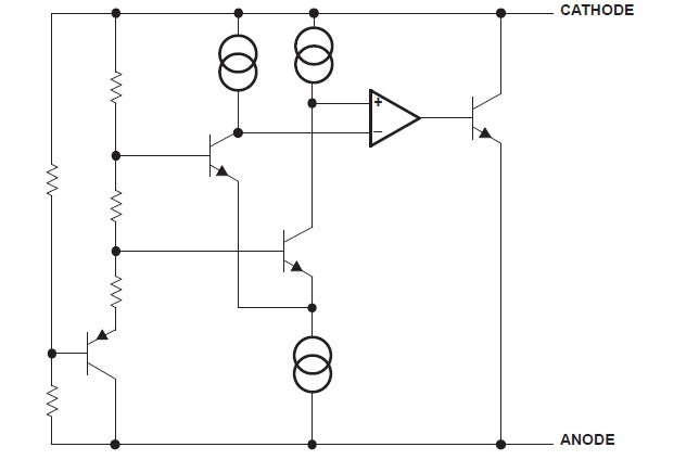
Diagrams

| Image | Part No | Mfg | Description | ![]() |
Pricing (USD) |
Quantity | ||||||||||||
|---|---|---|---|---|---|---|---|---|---|---|---|---|---|---|---|---|---|---|
![]() |
![]() LM4040C20IDBZR |
![]() Texas Instruments |
![]() Voltage & Current References 2.048-V Precision Mcrpwr Shunt .5% acc |
![]() Data Sheet |
![]()
|
|
||||||||||||
![]() |
![]() LM4040C20IDBZRG4 |
![]() Texas Instruments |
![]() Voltage & Current References 2.048-V Precision Mcrpwr Shunt .5% acc |
![]() Data Sheet |
![]()
|
|
||||||||||||
(China (Mainland))









