Product Summary
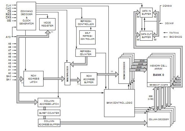
TheIS42S32400D-7TL is a high dynamic random-access memory, dynamic random-access memory designed to operate in 3.3V memory systems containing 67,108,864 bits. Internally configured as a quad-bank DRAM with a synchronous interface. Each 16,777,216-bit bank is organized as 2,048 rows by 256 columns by 32 bits. The IS42S32200B-7T includes an AUTO REFRESH MODE, and a power-saving, power-down mode. All signals are registered on the positive edge of the clock signal, CLK. All inputs and outputs are LVTTL compatible. TheIS42S32400D-7TL has the ability to synchronously burst data at a high data rate with automatic column-address generation, the ability to interleave between internal banks to hide precharge time and the capability to randomly change column addresses on each clock cycle during burst access.
Parametrics
IS42S32400D-7TL absolute maximum ratings: (1)Maximum Supply Voltage:–1.0V to +4.6V; (2)Maximum Supply Voltage for Output Buffer:–1.0V to +4.6V; (3)Input Voltage:–1.0V to +4.6V; (4)Output Voltage:–1.0V to +4.6V; (5)Allowable Power Dissipation:1W; (6)Output Shorted Current:50mA; (7)Operating Temperature: Com.:0℃ to +70℃, Ind.:–40℃ to +85℃; (8)Storage Temperature:–55℃ to +150℃.
Features
IS42S32400D-7TL features: (1)Clock frequency: 183, 166, 143 MHz; (2)Fully synchronous; all signals referenced to a positive clock edge; (3)Internal bank for hiding row access/precharge; (4)Single 3.3V power supply; (5)LVTTL interface; (6)Programmable burst length:(1, 2, 4, 8, full page); (7)Programmable burst sequence:Sequential/Interleave; (8)Self refresh modes; (9)4096 refresh cycles every 64 ms; (10)Random column address every clock cycle; (11)Programmable CAS latency (2, 3 clocks); (12)Burst read/write and burst read/single write operations capability; (13)Burst termination by burst stop and precharge command; (14)Available in Industrial temperature grade; (15)Available in 400-mil 86-pin TSOP II and 90-ball BGA; (16)Available in Lead free.
Diagrams

| Image | Part No | Mfg | Description | ![]() |
Pricing (USD) |
Quantity | ||||||||||||
|---|---|---|---|---|---|---|---|---|---|---|---|---|---|---|---|---|---|---|
![]() |
![]() IS42S32400D-7TLI |
![]() ISSI |
![]() DRAM 128M (4Mx32) 143MHz SDRAM, 3.3v |
![]() Data Sheet |
![]()
|
|
||||||||||||
![]() |
![]() IS42S32400D-7TL-TR |
![]() ISSI |
![]() DRAM 128M (4Mx32) 143MHz SDRAM, 3.3v |
![]() Data Sheet |
![]()
|
|
||||||||||||
![]() |
![]() IS42S32400D-7TLI-TR |
![]() ISSI |
![]() DRAM 128M (4Mx32) 143MHz SDRAM, 3.3v |
![]() Data Sheet |
![]()
|
|
||||||||||||
![]() |
![]() IS42S32400D-7TL |
![]() ISSI |
![]() DRAM 128M 4Mx32 143Mhz SDRAM, 3.3v |
![]() Data Sheet |
![]()
|
|
||||||||||||
(China (Mainland))









