Product Summary
The QM20TF-H 33AB1is a Mitsubishi transistor module. The applications of the QM200HA-2H include AC motor controllers, UPS, CVCF, DC motor controllers, NC equipment, Welders.
Parametrics
QM20TF-H 33AB1 absolute maximum ratings: (1)Collector-emitter voltage, VCEX (SUS): 1000V; (2)Collector-emitter voltage, VCEX: 1000V; (3)Collector-base voltage, VCBO: 1000V; (4)Emitter-base voltage, VEBO: 7V; (5)Collector current, IC: 200A; (6)Collector reverse current, -IC: 200A; (7)Collector dissipation, PC: 1560W; (8)Base current, IB: 10A; (9)Surge collector reverse current (forward diode current), -ICSM: 2000A; (10)Junction temperature, Tj: -40 TO +150℃; (11)Storage temperature, Tstg: -40 TO +125℃; (12)Isolation voltage, Viso: 2500V.
Features
QM20TF-H 33AB1 features: (1)IC Collector current: 200A; (2)VCEX Collector-emitter voltage: 1000V; (3)hFE DC current gain: 75; (4)Insulated Type; (5)UL Recognized, Yellow Card No. E80276 (N); File No. E80271.
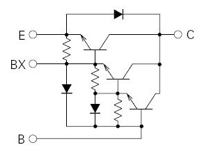
Diagrams

![]() |
![]() QM200DY-24 |
![]() Other |
![]() |
![]() Data Sheet |
![]() Negotiable |
|
||||
![]() |
![]() QM200DY-24B |
![]() Other |
![]() |
![]() Data Sheet |
![]() Negotiable |
|
||||
![]() |
![]() QM200DY-2H |
![]() Other |
![]() |
![]() Data Sheet |
![]() Negotiable |
|
||||
![]() |
![]() QM200DY-2HB |
![]() Other |
![]() |
![]() Data Sheet |
![]() Negotiable |
|
||||
![]() |
![]() QM200DY-HB |
![]() Other |
![]() |
![]() Data Sheet |
![]() Negotiable |
|
||||
![]() |
![]() QM200HA-24 |
![]() Other |
![]() |
![]() Data Sheet |
![]() Negotiable |
|
||||
(China (Mainland))








