Product Summary
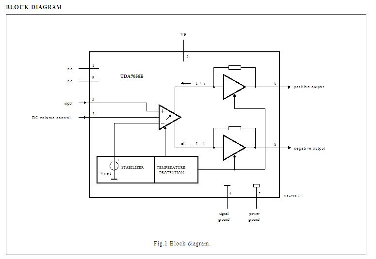
The TDA7056BU is a stereo BTL output amplifier with DC volume control. The TDA7056BU is designed for use in TVs and monitors, but is also suitable for battery-fed portable recorders and radios.
Parametrics
TDA7056BU absolute maximum ratings: (1)supply voltage: 18 V; (2)IORM repetitive peak output current: 1.25 A; (3)IOSM non-repetitive peak output current: 1.5 A; (4)Ptot total power dissipation Tcase < 60 ℃: 22.5 W; (5)Tamb operating ambient temperature: -40 to +85 ℃; (6)Tstg storage temperature: -55 to +150 ℃; (7)Tvj virtual junction temperature: 150 ℃; (8)tsc short-circuit time: 1 hr; (9)Vn input voltage pins 1, 3, 5 and 7: 5 V.
Features
TDA7056BU features: (1)DC volume control; (2)Few external components; (3)Mute mode; (4)Thermal protection; (5)Short-circuit proof; (6)No switch-on and switch-off clicks; (7)Good overall stability; (8)Low power consumption; (9)Low HF radiation; (10)ESD protected on all pins.
Diagrams

![]() |
![]() TDA7000 |
![]() Other |
![]() |
![]() Data Sheet |
![]() Negotiable |
|
||||
![]() |
![]() TDA7010T |
![]() Other |
![]() |
![]() Data Sheet |
![]() Negotiable |
|
||||
![]() |
![]() TDA7010T3AA |
![]() |
![]() IC FM RADIO 16-SOIC |
![]() Data Sheet |
![]() Negotiable |
|
||||
![]() |
![]() TDA7010T3TM |
![]() |
![]() IC FM RADIO CIRCUIT 16SOIC |
![]() Data Sheet |
![]() Negotiable |
|
||||
![]() |
![]() TDA7020T |
![]() Other |
![]() |
![]() Data Sheet |
![]() Negotiable |
|
||||
![]() |
![]() TDA7021T |
![]() Other |
![]() |
![]() Data Sheet |
![]() Negotiable |
|
||||
(China (Mainland))









