Product Summary
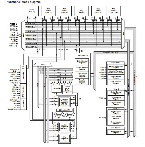
The TMS320VC33PGE-150 is a 32-bit, floating-point processor manufactured in 0.18-μm four-level-metal CMOS(TImeline) technology. The TMS320VC33PGE-150 optimizes speed by implementing functions in hardware that other processors implement through software or microcode. This hardware-intensive approach provides performance previously unavailable on a single chip. The TMS320VC33PGE-150 can perform parallel multiply and ALU operations on integer or floating-point data in a single cycle.
Parametrics
TMS320VC33PGE-150 absolute maximum ratings: (1)Supply voltage range:-0.3 V to 4 V; (2)Supply voltage range:-0.3 V to 2.4 V; (3)Input voltage range:-1 V to 4.6 V; (4)Output voltage range:-0.3 V to 4.6 V ; (5)Operating case temperature range:0℃ to 90℃, TC (PGEA-industrial):-40℃ to 100℃; (6)Storage temperature range:-55℃ to 150℃.
Features
TMS320VC33PGE-150 features: (1)144-Pin Low-Profile Quad Flatpack (LQFP)(PGE Suffix); (2)Two Address Generators With Eight; (3)Auxiliary Registers and Two Auxiliary; (4)Register Arithmetic Units (ARAUs); (5)Two Low-Power Modes; (6)Two- and Three-Operand Instructions; (7)Parallel Arithmetic/Logic Unit (ALU) and Multiplier Execution in a Single Cycle; (8)Block-Repeat Capability; (9)Zero-Overhead Loops With Single-Cycle Branches; (10)Conditional Calls and Returns; (11)Interlocked Instructions for Multiprocessing Support; (12)Bus-Control Registers Configure Strobe-Control Wait-State Generation; (13)1.8-V (Core) and 3.3-V (I/O) Supply Voltages; (14)x5 Phase-Locked Loop (PLL) Clock Generator; (15)Very Low Power: < 200 mW @ 150 MFLOPS; (16)32-Bit High-Performance CPU; (17)16- /32-Bit Integer and 32- /40-Bit Floating-Point Operations; (18)Four Internally Decoded Page Strobes to Simplify Interface to I/O and Memory Devices; (19)Boot-Program Loader; (20)EDGEMODE Selectable External Interrupts; (21)32-Bit Instruction Word, 24-Bit Addresses; (22)Eight Extended-Precision Registers.
Diagrams

![]() |
![]() TMS3112 |
![]() Other |
![]() |
![]() Data Sheet |
![]() Negotiable |
|
||||
![]() |
![]() TMS3121 |
![]() Other |
![]() |
![]() Data Sheet |
![]() Negotiable |
|
||||
![]() |
![]() TMS320 |
![]() Other |
![]() |
![]() Data Sheet |
![]() Negotiable |
|
||||
![]() |
![]() TMS32010 |
![]() Other |
![]() |
![]() Data Sheet |
![]() Negotiable |
|
||||
![]() |
![]() TMS320AV7110 |
![]() Other |
![]() |
![]() Data Sheet |
![]() Negotiable |
|
||||
![]() |
![]() TMS320BC51PQ100 |
![]() Texas Instruments |
![]() Digital Signal Processors & Controllers (DSP, DSC) TMS320C51PQ - 132QFP - 100MHZ/BOOT CODE |
![]() Data Sheet |
![]() Negotiable |
|
||||
(China (Mainland))









