Product Summary
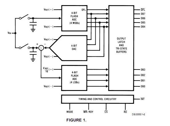
The ADC0820CCWM is an 8-Bit High Speed μP Compatible A/D Converter with Track/Hold Function. By using a half-flash conversion technique, the ADC0820CCWM CMOS A/D offers a 1.5 μs conversion time and dissipates only 75 mW of power. The half-flash technique consists of 32 comparators, a most significant 4-bit ADC and a least significant 4-bit ADC. For ease of interface to microprocessors, the ADC0820CCWM has been designed to appear as a memory location or I/O port without the need for external interfacing logic.
Parametrics
ADC0820CCWM absolute maximum ratings: (1)Supply Voltage (VCC):10V; (2)Logic Control Inputs:-0.2V to VCC +0.2V; (3)Voltage at Other Inputs and Output:0.2V to VCC +0.2V; (4)Storage Temperature Range:-65℃ to +150℃; (5)Package Dissipation at TA = 25℃:875 mW; (6)Input Current at Any Pin:1 mA; (7)Package Input Current:4 mA; (8)ESD Susceptability:1200V; (9)Lead Temp. (Soldering, 10 sec.): Dual-In-Line Package(plastic):260℃, Dual-In-Line Package (ceramic):300℃; (10)Surface Mount Package: Vapor Phase (60 sec.):215℃, Infrared (15 sec.):220℃.
Features
ADC0820CCWM features: (1)Built-in track-and-hold function; (2)No missing codes; (3)No external clocking; (4)Single supply:5 VDC; (5)Easy interface to all microprocessors, or operates stand-alone; (6)Latched TRI-STATE output; (7)Logic inputs and outputs meet both MOS and T2L voltage level specifications; (8)Operates ratiometrically or with any reference value equal to or less than VCC; (9)0V to 5V analog input voltage range with single 5V supply; (10)No zero or full-scale adjust required; (11)Overflow output available for cascading; (12)0.3” standard width 20-pin DIP; (13)20-pin molded chip carrier package; (14)20-pin small outline package; (15)20-pin shrink small outline package (SSOP).
Diagrams

| Image | Part No | Mfg | Description | ![]() |
Pricing (USD) |
Quantity | ||||||||||||
|---|---|---|---|---|---|---|---|---|---|---|---|---|---|---|---|---|---|---|
![]() |
![]() ADC0820CCWM |
![]() National Semiconductor (TI) |
![]() ADC (A/D Converters) |
![]() Data Sheet |
![]()
|
|
||||||||||||
![]() |
![]() ADC0820CCWM/NOPB |
![]() National Semiconductor (TI) |
![]() ADC (A/D Converters) |
![]() Data Sheet |
![]()
|
|
||||||||||||
![]() |
![]() ADC0820CCWMX/NOPB |
![]() National Semiconductor (TI) |
![]() ADC (A/D Converters) |
![]() Data Sheet |
![]()
|
|
||||||||||||
![]() |
![]() ADC0820CCWMX |
![]() National Semiconductor (TI) |
![]() ADC (A/D Converters) |
![]() Data Sheet |
![]()
|
|
||||||||||||
(China (Mainland))










