Product Summary
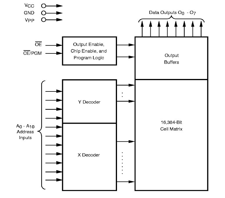
The NMC27C256Q-20 is a high performance 16K UV erasable and electrically reprogrammable CMOS EPROM, ideally suited for applications where fast turn around, pattern experimentation and low power consumption are important requirements. TheNMC27C256Q-20 is packaged in a 24-pin dual-in -line package with a quartz window. The quartz window allows the user to expose the chip to ultraviolet light to erase the bit pattern. A new pattern can then be written into the device by following the programming procedure.
Parametrics
NMC27C256Q-20 absolute maxing ratings: (1)Temperature under bias commercial parts: -10℃ to +80℃; extended temp. parts: -40℃ to +85℃; (2)Storage temperature: -65℃ to +150℃; (3)VCC supply with respected to ground: +7.0V to -0.6V; (4)All input voltages expect A9 with respect to ground: +6.5V to -0.6V; (5)All output voltages with respect to ground: VCC+1.0V to GND-0.6V; (6)VPP supply and A9 voltage with respect to ground: +14.0V to -0.6V; (7)Power dissipation: 1.0W; (8)Lead Temp.(soldering, 10sec): 300℃.
Features
NMC27C256Q-20 features: (1)Low COMS power consumption Active power: 55mW max; Standby power: 0.55mW max; (2)Extended temperature range available, -40℃ to +85℃; (3)Fast and reliable programming(100μs for most bytes); (4)TTL compatible inputs/outputs; (5)TRI-STATE output; (6)Manufacture identification code for automatic programming equipment; (7)High current CMOS level output drivers; (8)Upgrade for NMOS 2716.
Diagrams

![]() |
![]() NMC2532Q |
![]() Other |
![]() |
![]() Data Sheet |
![]() Negotiable |
|
||||
![]() |
![]() NMC2764 |
![]() Other |
![]() |
![]() Data Sheet |
![]() Negotiable |
|
||||
![]() |
![]() NMC27C16 |
![]() Other |
![]() |
![]() Data Sheet |
![]() Negotiable |
|
||||
![]() |
![]() NMC27C64 |
![]() Other |
![]() |
![]() Data Sheet |
![]() Negotiable |
|
||||
(China (Mainland))








