Product Summary
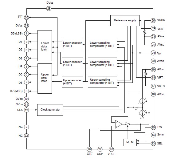
The CXD1176Q is an 8-bit CMOS A/D converter for video use that features a sync clamp function. The adoption of a 2 step-parallel method realizes low power consumption and a maximum conversion speed of 20MSPS.
Parametrics
CXD1176Q absolute maximum ratings: (1)Supply voltage, VDD: 7 V; (2)Reference voltage, VRT, VRB: VDD + 0.5 to VSS -0.5 V; (3)Input voltage, VIN: VDD + 0.5 to VSS -0.5 V (Analog); (4)Input voltage, VI: VDD + 0.5 to VSS -0.5 V (Digital); (5)Output voltage, VO: VDD + 0.5 to VSS -0.5 V (Digital); (6)Storage temperature, Tstg: -55 to +150℃.
Features
CXD1176Q features: (1)Resolution power: 8-bit±1/2LSB (DL); (2)Maximum sampling frequency: 20MSPS; (3)Low power consumption: 60mW (at 20MSPS typ.); (4)(Reference current excluded); (5)Built-in sync type clamp function; (6)Built-in monostable multivibrator for clamp pulse generation; (7)Built-in sync pulse polarity selection function; (8)Clamp pulse direct input possible; (9)Built-in clamp ON/OFF function; (10)Built-in reference voltage self-bias circuit; (11)Input CMOS compatible; (12)3-state TTL compatible output; (13)Single 5 V power supply; (14)Low input capacity: 11 pF; (15)Reference impedance: 330Ω(typ.).
Diagrams

| Image | Part No | Mfg | Description | ![]() |
Pricing (USD) |
Quantity | ||||
|---|---|---|---|---|---|---|---|---|---|---|
![]() |
![]() CXD1176Q |
![]() Other |
![]() |
![]() Data Sheet |
![]() Negotiable |
|
||||
| Image | Part No | Mfg | Description | ![]() |
Pricing (USD) |
Quantity | ||||
![]() |
![]() CXD1156Q |
![]() Other |
![]() |
![]() Data Sheet |
![]() Negotiable |
|
||||
![]() |
![]() CXD1159AQ |
![]() Other |
![]() |
![]() Data Sheet |
![]() Negotiable |
|
||||
![]() |
![]() CXD1162P |
![]() Other |
![]() |
![]() Data Sheet |
![]() Negotiable |
|
||||
![]() |
![]() CXD1170M |
![]() Other |
![]() |
![]() Data Sheet |
![]() Negotiable |
|
||||
![]() |
![]() CXD1171M |
![]() Other |
![]() |
![]() Data Sheet |
![]() Negotiable |
|
||||
![]() |
![]() CXD1172AM |
![]() Other |
![]() |
![]() Data Sheet |
![]() Negotiable |
|
||||
(China (Mainland))









